USA Manufacturers of High Quality, Affordable, Audio & Video Equipment
Home Zoom VS1600 XLR Adapter ENG-44A Mixer About us
USA Manufacturers of High Quality, Affordable, Audio & Video Equipment
USA Manufacturers of High Quality, Affordable, Audio & Video Equipment

ProcAmpTech

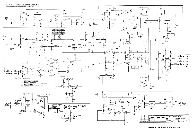
Schematic Download PDF

Component Placement Download PDF

PCB- Top (Download PNG)

PCB- Bottom (Download PNG)